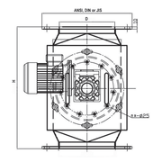
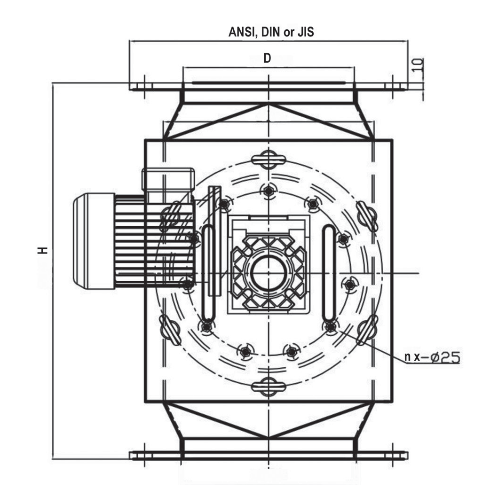
Rotary Grate Process Line fine impurity extraction Hopper Magnet Hopper Magnet
Abbreviations and Conventions used Storewide
All Dimensions are in Metric Scale (mm); Conventions and abbreviations used throughout the Store:
L : Length | OD : Outer Dia | ID : Inner Dia | W : Width | H : Height | T : Thickness (also Height) | CS : Countersunk | G : Gauss
The terms Force or Pull Force are used interchangeably throughout the store and refer to the maximum observable or tested force against a 10mm thick grinded finish mild steel plate. The pull force will depreciate with thinner plates or sheets. The Pull force or Force is expressed in lbs, Kg or N.
[10N (Newtons) = approx 1 Kg = approx 2.2 lbs Pull Force]
-
Unique solution for high volume flow of powdery granules, high viscosity flow of fluids and dry grains with micro impurities.
-
The rotating movement of the magnetic cartridge aids in material flow and prevents caking
-
Depending on the size of raw materials, the annular configuration & number of magnet rods can be increased or decreased.
-
SS 304 or 316 (food grade) construction available
